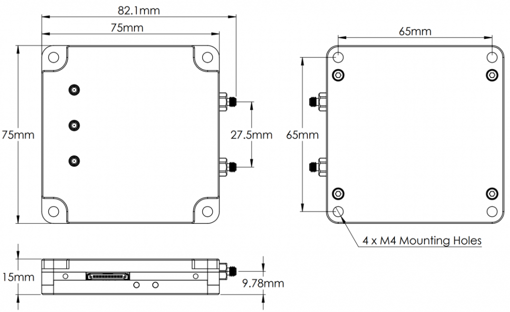
W-Band Frequency Converter

W-Band Frequency Converter

EECL’s W-Band Frequency Converter provides frequency-and-phase-locked up and down
conversion between K-Band (20-27 GHz) and W-Band (70-86GHz).The up-conversion output features power amplification, and can produce up to +16dBm output power at W-Band.  The down-conversion input features a low noise figure (8dB) and very high input dynamic range.


The module provides a low-cost gateway into E-band and W-Band frequencies for research and development into applications such as automotive radar, satcom, and telecoms research.

What Sets Us Apart

Detailed Specifications

Typical upconversion gain, and maximum output power are given below.

A simplified system-level diagram of the converter is shown below.

EECL provides a wide suite of available software control options, including both graphical user interfaces (GUIs) and scripting libraries. Options include, but are not limited to:

Send us a message and we will get back to you quickly